住宅性能表示制度
住宅性能表示制度は、平成 12 年 4 月 1 日に施行された「住宅の品質確保の促進等に関する法律」にもとづき、同年 10 月に本格的に運用開始された制度です。
住宅の性能を表示するための共通ルールは、国土交通大臣が日本住宅性能表示基準として定めており、これを取得することによりその物件の性能を視覚として認識ができるようになります。
また、検査ができる機関に関しては国土交通大臣が、客観的な評価を実施する第三者機関を登録住宅性能評価機関と登録しています。
そのため自社の物件を自社で検査と言うことはできず、第三者の機関を通し客観的に検査をしその評価をもらう形になります。
インターネット上の物件情報やチラシなどを見たときにこのようなアイコンを見たことありませんか?
このアイコンが表記されている物件は、住宅性能表示制度を活用し、評価を受けている物件になります。
設計と建設と2つありまして、名前の通り、設計性能評価というのは設計書の段階での評価になります。
そして建設性能評価、こちらも名前の通り建設時に検査(原則4回検査)をし評価を取得したものとなります。
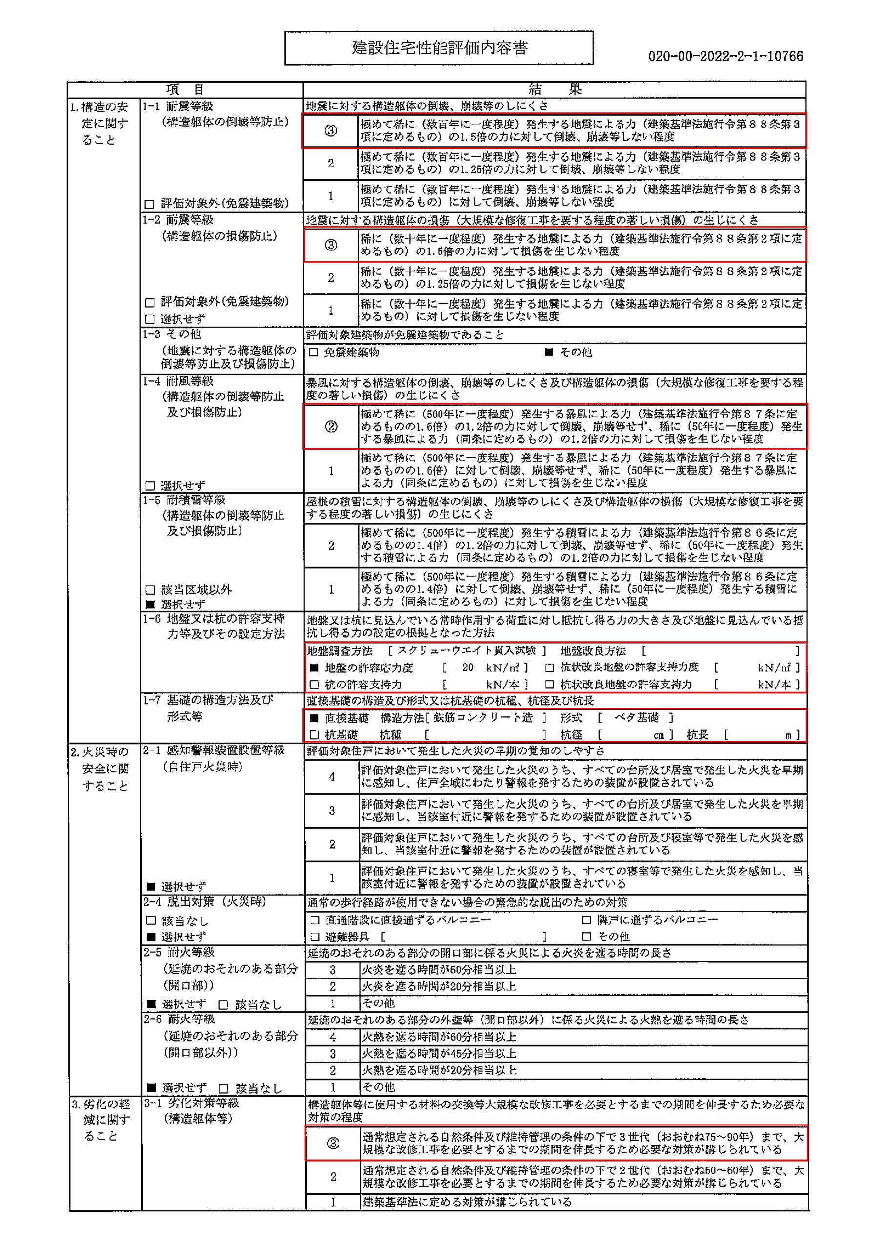
取得すると次の画像のような評価書を発行することができます。(タップで拡大ができます)
いわゆる通信簿みたいなものになり、各項目それぞれの段階での評価があり、その段階の中で数字が大きければ大きいほど性能を有しているということが一目でわかる仕組みになっています。
① 構造の安定に関すること ② 火災時の安全に関すること
③ 劣化の軽減に関すること ④ 維持管理・更新への配慮に関すること
⑤ 温熱環境に関すること ⑥ 空気環境に関すること
⑦ 光・視環境に関すること ⑧ 音環境に関すること
⑨ 高齢者等への配慮に関すること ⑩ 防犯に関すること
上記10項目の中で太字にしている①構造の安定に関すること③劣化軽減に関すること④維持管理、更新の配慮に関すること⑤温暖環境に関すること
以上の4項目が必須項目となっており、他の6項目は任意なものになっています。
そのためこの4つの項目を取得できれば性能評価取得物件になるわけです。
実際に全部を取得するケースはそこまで多くありません。
なぜかと言うと任意項目は追加検査となり、検査費用と時間が余計にかかってしまいます。
そのため、任意項目を多数取得した場合は物件価格としても少し上乗せになるため、負担を強いられるのはエンドユーザーになります。
⑨高齢者等の配慮に関することとかは、物件を見ればバリアフリーなのかどうなのか等わかるため性能表示取得に関して重要視されていない部分もあります。
逆に①構造の安定に関することに関しては、完成しているとわかりづらい建物の耐震等の確認がわかりやすいものなるので、必須項目になっているのです。
耐震等級の倒壊防止・損傷防止、耐風、劣化対策等級、維持管理対策等級はしっかりと最大等級を取得しています。
断熱等級・一次エネルギー消費量等級に関しては元々は最大等級でしたが2022年4月1日の改正により、カーボンニュートラル、脱炭素化の実現のためZEH水準の断熱等級5と一次エネルギー消費量等級6が追加されました。
10月にはZEH水準を上回る断熱等級6と7が追加される予定になっています。
オプションにはなってしまいますが、ZEH水準の建物に仕様変更することも出来ます。
詳しくはお気軽にお問い合わせください。





